- 联系:李经理
- 手机:135-2506-5699
- 电话:
- 网址:http://hubei.thzd.com/
- 地址:新乡县香港路北段

湖北WZDSX系列双轴稀油振动器
1、产品简介Product Introduction
湖北WZDSX系列双轴稀油振动器是河南太行重型机械股份有限公司采用先进技术专业制造的产生直线运动的箱式湖北激振器,该类激振器采用知名品牌轴承,箱体精工制作,结构轻、密封好、散热快、不漏油、耐用可靠,性价比高,安装维护方便,被广泛应用于冶金、矿山行业等,客户群体有:河钢集团、三钢集团、山钢集团、浦项印尼项目等,是振动机械的优良激振源。
The WZDSX series dual-axis dilute oil vibrator is a box-type exciter produced by a straight-line motion produced by Henan Taihang Heavy Machinery.This type of exciter uses well-known brand bearings,precision-made vibrator box,light structure,good sealing,fast heat dissipation,no oil leakage,durable and reliable,cost-effective,easy installation and maintenance,is widely used in metallurgy,mining industry,customer groups are:HBIS GROUP,SANSTEEL GROUP,SHANSTEEL GROUP,POSCO INDONESIA PROJECT Etc,is an excellent vibration machinery excitation source.
2、工作原理Working Principle
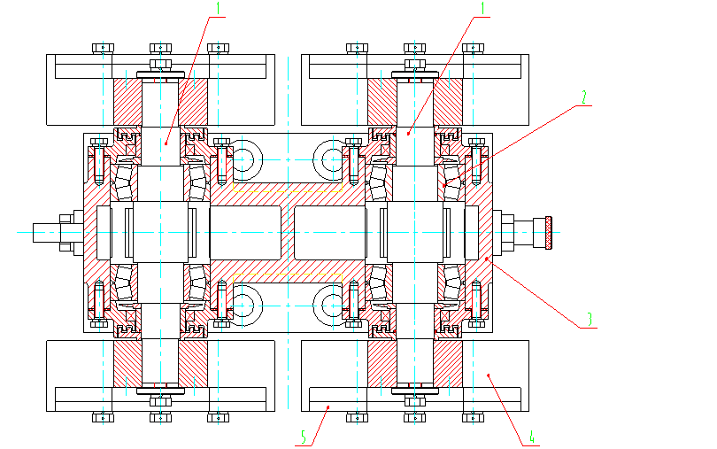
图1是WZDSX型箱式激振器机构图,用来说明激振器的基本工作原理。箱体内装有两根轴1,分别通过带油孔轴承2联接在一个箱体3上,轴端各有一对重量相同的偏心块,两根轴反向回转,利用偏心块回转时产生的离心力,使激振器产生定向激振力。通过偏心块回转速度和调整块5的数量,来调整激振力的大小。密封的箱体内加注齿轮油,使轴承润滑和散热,保证传动平稳、运行可靠。
Figure 1 is the structural diagram of the WZDSX box-type vibrator,which is used to explain the basic working principle of the vibrator.The inside vibrator box is equipped with two shafts 1,respectively connected to a vibrator box 3 through the bearing 2 with oil holes,the shaft end has a pair of eccentric blocks of the same weight,the two shafts reverse rotation,the centrifugal force generated by the eccentric block rotation,so that the exciter produces directional exciting force.By adjusting the rotating speed of the eccentric block and the number of block 5,the excitation force is adjusted.The sealed box is filled with gear oil to lubricate and dissipate the bearing to ensure smooth transmission and reliable operation.

1:主动轴;2:轴承;3:箱体;4:偏心块;5:调整块
1:Drive Shaft;2:Bearing;3:Vibrator Box;4:Eccentric Block;5:Adjust Block
3、选型参数表Model Table

上一个: 湖北环保柯莱尔筛
下一个: 湖北XZDS系列齿轮稀油振动器
- 设备震动大?选对橡胶弹簧实现减震降噪2026-04-29
- 湖北十字轴式湖北万向联轴器怎么选型?扭矩与偏角关键要点2026-04-24
- 直线筛怎么选型?按物料、产量、精度一文看懂2026-04-17
- 环保封闭筛分设备,兼顾抑尘降噪与生产效率2026-04-09







豫公网安备 41072102000858号